Pneumatic Proportional Control with Actuator Position Feedback

When infinite position adjustability of an actuator through its entire range of motion is required, many people have become accustomed to looking at servo-electric solutions first. This is often the best choice, but in some cases, a pneumatic solution can be more cost-effective overall.

One of our customers recently decided to upgrade a pneumatic cylinder system that was being used to adjust a damper in a ventilation duct. This system had relied on pneumatic position control technology that was over twenty years old. Replacement components had a long lead time, and the system was not working as well as necessary for the customer’s process. We’ll walk you through our decision-making process so you can see how we came to a solution that was 40% under budget.

Selecting Pneumatics or Electromechanical Motion Control

When our customer decided they needed to upgrade this system, they initially asked us about an electromechanical rod type actuator with a servo motor. When we talked about the application criteria, such as actuator speed-to-position, cycle times, and repeatability, we realized that a pneumatic solution with current technology could meet all their criteria at a much lower cost than an electromechanical actuator, and the retrofit work would be minimal.

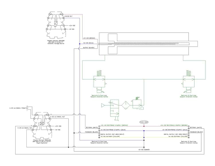
We offered our customer a system that uses a new double-acting NFPA tie rod cylinder, very much like the old cylinder that was being replaced. While not an exact drop-in replacement, modifications to existing mounting brackets and tubing routing were kept to a minimum. A pair of Numatics Sentronic D Proportional Regulating Valves configured for dual loop control are used to extend and retract the cylinder. The new cylinder has a linear resistive transducer for position feedback.

The Sentronic D unit to extend the cylinder sees at the LRT feedback as its normal value, and the Sentronic D unit to retract they cylinder is configured to see the inverse of the LRT value. Setpoints for each Sentronic D unit are delivered by the same 4 to 20 mA analog signal from the PLC of the original system.

Pneumatic Proportional Control with Actuator Position Feedback 1
Click Schematic to Enlarge

The Numatics Sentronic D Proportional Regulating Valves have their own controllers to handle the PID loop internally. So, once parameters are set using the Numatics Data Acquisition Software (DaS) with a PC and communication cable, the Sentronic D units will deliver the required pressure output based on setpoint and feedback without the need for an external controller.

Optimizing the User’s Process

Management of the control and feedback signals are critical to this system operating properly. The LRT in the cylinder takes a 10 VDC source, then sends a voltage output that varies as a wiper in the cylinder piston moves along the length of the resistor inside the cylinder. At fully retracted, the transducer output is close to 0 VDC and at fully extended it is close to 10 VDC, with excellent linearity from minimum to maximum.

Since the accurate output of this transducer depends on a precise and consistent 10 VDC voltage source, we selected a Phoenix Contact Constant Voltage Source for this task. Powered by a 24 VDC supply, it will maintain its 10 VDC output to the LRT regardless of any fluctuations in the source power. Quality of the setpoint signal to the Sentronic D units is also critical. Since this same 4 to 20 mA signal from the PLC needed to be delivered to both Sentronic D units simultaneously, we selected a Phoenix Contact Signal Duplicator. Both Phoenix Contact devices are easy to configure via DIP switches and take up very little cabinet space with their 6.2 mm wide form factor.

Simple Installation

proportional pneumatic control

In order to ensure accurate wiring of the system, the schematic above was given to the customer and cables specific to the Sentronic D units were provided. This gave our customer a clear understanding of how to connect all the components which helped ensure a successful installation. The configuration of the Sentronic D units took just a few minutes onsite with a laptop running the DaS program and a communication cable.

This solution met or exceeded all of our customer’s performance criteria while coming in at 40% under the budget they had set for this upgrade. Because the replacement pneumatic cylinder was very close in size and configuration to the one that was removed, and because we were able to continue using the analog signal from the existing PLC, retrofit costs were very low. And by upgrading to the latest technology available from Numatics and Phoenix Contact, our customer will have a reliable system for many years to come.

If you are interested in implementing a solution similar to this, let us know! Contact a Cross pneumatic expert to discuss your application and see how we can help your team increase efficiency, reduce risk, and improve quality in the process.

See how our team can help improve efficiency, reduce risk, and raise quality in your process.

Contact our Team

Hang Tight! We're Searching... Searching... Searching...

We’re looking through thousands of pages to find the most relevant information.

In the meantime, enjoy these fun facts…

Did you know… Cross Company is an ESOP (Employee Stock Ownership Plan). Our ESOP started in 1979 and as of 2006, we are 100% employee-owned! Learn more about our ESOP and how that benefits both team members and our customers.
Did you know... the precision measurement group at Cross was founded in 1939 by our current CEO's grandfather, Jim King. That's a whole lot of calibration!
Did you know... A fingerprint weighs about 50 micrograms. We know, we weighed it! The residue left from a finger can actually make a difference in weight results which is why we wear gloves when we calibrate weights. For reference, a sheet of paper is about 4.5 grams, that’s 4.5 million micrograms.
Did you know… Cross Company has grown significantly since our start in 1954. Over the years we've acquired 26 companies! Today, our five groups have expertise in everything from industrial automation to precision measurement, and industry knowledge going all the way back to 1939.